Система отопления в частном доме и центральная сеть в многоэтажке — это два разных мира. Они различаются конструкцией, масштабом и, что самое главное, давлением, которое заставляет теплоноситель бежать по трубам. Это как сравнить велосипед и грузовик: оба транспорт, но нагрузка и требования к ним несопоставимы.
Главный герой нашей сегодняшней истории — давление. Именно этот параметр становится решающим при проектировании и эксплуатации любой отопительной системы. В частном доме, где контур замкнут и наполнен водой или антифризом, стабильное давление — залог долгой и тихой работы всех устройств, от котла до последнего радиатора.
Регулярный контроль и настройка давления — это не прихоть, а необходимость. Это повышает эффективность теплообмена, экономит ваши ресурсы и, в конечном счёте, деньги. А вот его скачки — верный путь к аварии и холодным батареям пось зимы.
Повышенное давление — главный нарушитель спокойствия в системе. Оно приводит к частым блокировкам котла, создаёт запредельные нагрузки и в итоге выводит из строя оборудование. По сути, это тихий убийца вашего отопления.
Причины повышенного давления в системе отопления
Поломка какого-либо узла — очевидная причина скачка. Но часто проблема кроется в мелочах, которые легко упустить из виду:
- Закрытый вентиль. Казалось бы, ерунда. Но если где-то на ответвлении или перед радиатором забыли открыть кран, давление в магистрали резко подскочит. Котёл аварийно остановится. Решение простое: проверьте всю систему на открытые проходы.
- Забитый грязевик. Этот скромный фильтр, стоящий обычно на входе в котёл, — магнит для всего мусора из системы. Когда он забит, вода с трудом пробивается через него, вызывая рост давления перед фильтром. Регулярная чистка обязательна. Совет: замените обычный фильтр на магнитный — он куда эффективнее ловит частицы металла.
- Сбой автоматики. «Мозги» вашего котла или программатор могут дать сбой, ошибочно командуя насосу работать на максимуме. Тут без специалиста не разобраться.
- Течь подпиточного клапана. Клапан, через который вы доливаете воду в систему, может начать подтекать. Из-за этого давление будет постоянно, но медленно, расти. Часто виноваты изношенные резиновые уплотнители.
Нормы давления в системе отопления частного дома
Чтобы понять, какое давление для вашей системы норма, нужно найти её самое слабое звено. Как правило, это теплообменник котла. Именно его возможности диктуют правила игры.
Современные котлы рассчитаны на давление до 3 бар (атмосфер). Иногда параметр указывают в мегапаскалях (МПа): 1 бар ≈ 0.1 МПа. Но рабочее давление зависит от типа системы:
- Открытая (гравитационная) система. Здесь вода движется самотёком, за счёт разницы плотностей горячей и холодной воды. Давление в ней — вещь статичная и создаётся просто высотой водяного столба. Подъём на 10 метров даёт примерно 1 бар. Для такой системы даже 3 бара — редкость, она возможна только в очень высоких домах.
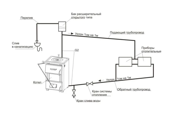
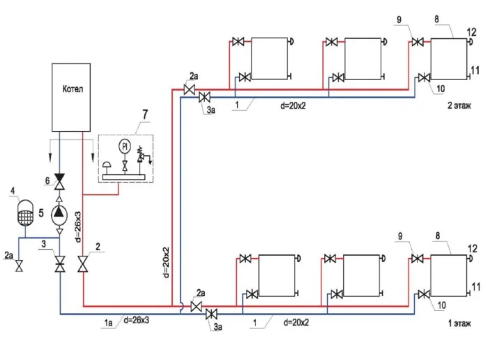
- Закрытая система (с насосом). Это наш случай. Здесь давление создаётся циркуляционным насосом и поддерживается расширительным мембранным баком. Норма для одно-двухэтажного дома — от 1.5 до 2.5 бар в холодной системе. Именно такое значение обеспечивает стабильную циркуляцию и предотвращает завоздушивание.
Котёл — не универсальный солдат. Он рассчитан на работу в определённом диапазоне. Поэтому важно правильно рассчитать и настроить давление. Для большинства частных домов золотая середина — 1.5–2 бара. Этого достаточно, чтобы теплоноситель преодолевал гидравлическое сопротивление труб и радиаторов.
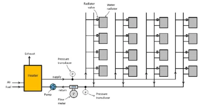
Манометр — ваш главный информатор и страж. Этот нехитрый прибор не только показывает давление, но и может намекнуть на проблемы: скрытые утечки, перегрев теплоносителя или засоры. Научитесь считывать его показания — это ключ к диагностике.
Он сообщит вам о перегреве (давление вырастет из-за расширения воды) или о засоре (падение давления на отдельном участке). Зная допустимую погрешность своего манометра, вы сможете точно оценить состояние системы.
Виды давления
Минимальное давление для запуска большинства настенных котлов — около 0.5 бар (это всегда указано в паспорте). В процессе эксплуатации вы столкнётесь с разными «лицами» давления:
- Максимальное (предельное). Та цифра, которую нельзя превышать ни при каких условиях. Переход за эту черту грозит разрывом труб или теплообменника.
- Рабочее. То самое стабильное значение, при котором система работает весь отопительный сезон.
- Опрессовочное. Испытательное давление, которое создают при проверке системы на герметичность после монтажа или перед сезоном. Обычно оно в 1.5 раза выше рабочего.
- Статическое. Давление в неподвижной, холодной системе. Оно создаётся просто высотой водяного столба от верхней точки системы до манометра.
- Динамическое. Давление в работающей системе. Оно складывается из статического и того напора, который создаёт циркуляционный насос.
Причины скачка давления при запуске системы отопления
Вы запустили котёл, а манометр ведёт себя странно: то падает, то взлетает. Почему? Вот типичные сценарии:
- Выход воздуха. После заполнения системы в ней всегда остаются воздушные пробки. По мере прогрева и циркуляции они выходят через автоматические воздухоотводчики, что приводит к заметному падению давления (иногда на 0.5–1 бар). Это нормальный процесс.
- Неисправность расширительного бака. Самая частая проблема! Если мембрана бака порвалась или в его воздушной камере нет давления, бак не может компенсировать расширение нагретой воды. При нагреве давление резко растёт, срабатывает аварийный клапан, вода сливается — и давление падает до минимума после остывания. Цикл повторяется.
- Мелкие утечки. Неплотности в резьбовых соединениях, под радиаторными кранами. Давление потихоньку падает.
- Проблемы с теплообменником котла. Микротрещина в теплообменнике может вести себя коварно: при нагреве металл расширяется, и течь усиливается, давление падает.
Как нормализовать давление в системе отопления
Закрытая система с принудительной циркуляцией может годами работать без сбоев. Но она требует внимания. Худший кошмар для домовладельца — остаться зимой без тепла. И повышенное, и пониженное давление опасны. Как бороться с неполадками?
- Циркуляционный насос. Он изнашивается быстрее котла. Если насос гудит, но не качает, или молчит совсем, проверьте питание. Если с питанием всё в порядке — готовьтесь к замене. Полезная мысль: установите в обвод байпас со сменным насосом — это спасёт в аварийной ситуации.
- Поиск утечки. Если давление планомерно падает, ищите течь. Осмотрите все стыки, радиаторы, сам котёл. Иногда помогает осмотр труднодоступных мест с помощью маленького зеркала. Не забывайте про расширительный бак — его ниппель тоже может подтравливать воздух.
- Неисправность котла. Если подозреваете проблемы с автоматикой, теплообменником или датчиками — остановитесь. Это зона ответственности квалифицированного специалиста. Самостоятельный ремонт может быть опасен.
Помните, что ваша система отопления — это живой организм. Давление — его пульс. Следите за ним, и ваш дом всегда будет тёплым.
